Ondyna
Nos valeurs
Actualités
Catalogues
Nos produits
Nous trouver
Nous contacter
Espace client
×
Accueil
Catalogue
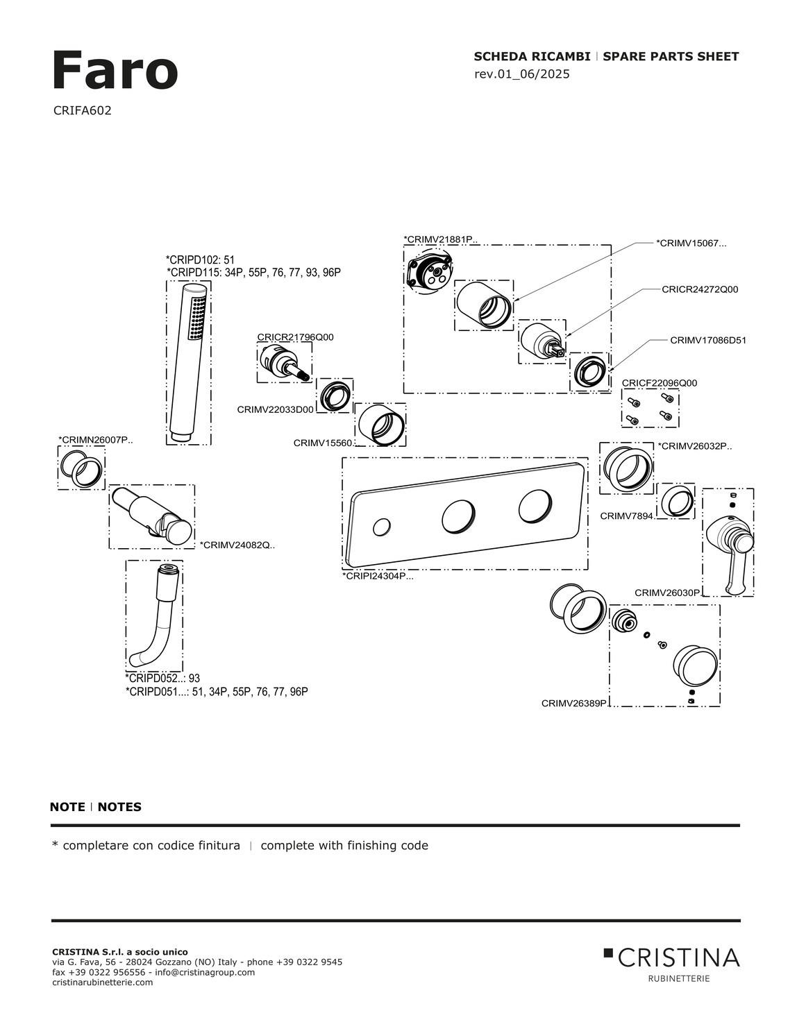
FARO
FARO
FACADE ENCASTREE DOUCHE/BAIN DOUCHE 2 SORTIES VIEUX BRONZE MAT
Plan
RETOUR FICHE